Варочная панель предоставляет пользователю гораздо большую свободу действий, чем старая привычная плита с конфорками сверху и духовым шкафом под ними. Независимую варочную поверхность можно встроить в тумбу или столешницу, выбрать любой тип нагрева или несколько разных одновременно. Привычные четыре конфорки можно заменить на две или, например, шесть.
Кроме того, можно уйти от стандартной квадратной формы и предпочесть прямоугольную, каплевидную или треугольную с любым взаимным расположением конфорок. Главное при выборе — учесть собственные потребности, размеры кухни и, конечно, самой варочной панели.
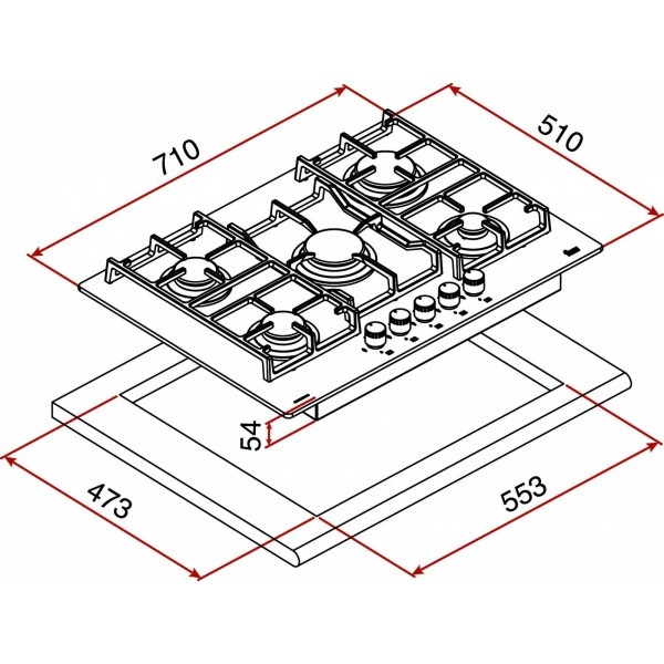
Основными габаритами варочной поверхности являются ее ширина и глубина. Толщина устройства менее важна, так как обычно совпадает с толщиной столешницы и составляет 4-6 см.
Стандартным размером варочной панели принято считать прибор шириной 59-60 см, глубиной 50-60 см.
Большими считаются модели шириной от 70 до 100 см и выше, при этом глубина их примерно одинакова: 50-60 см.
Маленькими называют приборы шириной 30-40 см, глубиной те же 50 см.
Разберем все габариты подробнее.
Ширина варочной панели
Данный параметр зависит в первую очередь от количества конфорок. По ширине можно выделить:
- Узкие варочные панели: 30 и 45 см шириной.
Ширина 30 см характерна для двухконфорочных моделей разного типа нагрева. Реальная их ширина несколько меньше — 28-29 см, что обусловлено встраиванием прибора. Передняя конфорка может быть меньше диаметром и менее мощной, чем задняя.

Например, Electrolux EHH93320NK — индукционная панель с одинаковыми конфорками, а Whirlpool AKT 352/IX — газовая с передней конфоркой диаметром 75 мм и задней — 90 мм.
Газовые панели такой ширины могут быть и одноконфорочными — как Miele CS 1011 G с зоной WOK, позволяющей готовить в посуде с выпуклым дном.

45 см - стандартная ширина для трехконфорочной варочной панели. В большинстве из них слева расположены две конфорки меньшей мощности, справа посередине — одна большей мощности с функцией быстрого нагрева. Такая конфигурация несколько непривычна поначалу, но очень удобна.

Можно выбрать любой тип нагрева — индукционная 44-сантиметровая Zigmund Shtain CIS 029.45 BX, Korting HGG 485 CTB — типа «газ на стекле» с WOK-горелкой.
- Стандартные варочные панели — 4 конфорки, 60 см ширина. Взаимное расположение конфорок у них может быть не только прямоугольным, но и нестандартным — ромбом или трапецией.

Огромный выбор цветовых и стилевых решений, дизайна решетки для газовых панелей, материала фурнитуры открывает широкие возможности. Примечательно, что выбор цветов гораздо шире у газовых плит — например, изделия Restart выпускаются в цвете бургунди, ванили, медном, синем, зеленом и других.
Среди электрических же можно найти модель Korting HI 6450 BGR в сером или Kuppersberg FT6VS16 C в бежевом цвете.
- Широкими считаются модели от 70 до 90 см. В основном это модели с 5 или 6 конфорками.
Пятиконфорочные — от 68 до 90 см.
Пятая конфорка, как правило, повышенной мощности и диаметра, находится в центре — как у газовой Korting HGG 785 CTW шириной 72 см или индукционной Kaiser KCT 7795 FI RotEm на 77 см.
Встречается расположение пятой конфорки отдельным третьим рядом, что делает управление удобнее, поскольку пятый переключатель помещается под ней. Но ширина изделия при этом тоже увеличивается и может достигать 90 см. Например, модель «газ на стекле» Korting HGG 985 CTN — 89 см.
Панели с 6 конфорками в большинстве своем не отличаются от пятиконфорочных по ширине — она составляет от 89 до 90 см. Конфорки располагаются тремя рядами, но встречаются и более оригинальные модели — как Fulgor Milano QH 906 G WK X с обособленной передней левой зоной под большую посуду.

![]()
Очень широкие панели — от 90 до 130 см — могут иметь 6 или 7 конфорок разной формы.
Среди них большинство газовых, но есть и индукционная De Dietrich DPI7969XS, у которой 6 зон нагрева объединяются в 3. Оригинальная модель Ilve HP125FC шириной 116 см с конфоркой FRY TOP — толстой ровной поверхностью из нержавеющей стали, поднятой над уровнем панели.
Глубина варочной панели
Этот параметр определяется, исходя из размеров столешницы. Известно, что оптимальное значение — 52 - 60 см, на него ориентировано большинство моделей.

-
У неглубоких варочных панелей — от 20 до 40 см — конфорки могут быть расположены в один ряд, как у электрической Teka TR 941 HZ глубиной 40 см или газовой Fulgor Milano CPH 1124 G WK TC WH X на 38 см. Выделяются в этой категории модели с вытяжкой — их глубина около 20-22 см, как, например, у Elica NIKOLATESLA LIBRA BL/F/83. Малую глубину имеют и одноконфорочные модели.
- Стандартная глубина — от 50 до 60 см. Реальные размеры варьируются в пределах ± 5 см для удобства встраивания. Такой размер могут иметь изделия всех типов нагрева, с любым количеством конфорок. Например, самая популярная четырехконфорочная индукционная поверхность Asko HI1611G насчитывает в глубину 52 см.
-
Глубокие модели — до 80 см, как правило, с большим количеством конфорок. Чаще всего такие поверхности газовые, нередко с оригинальным фирменным дизайном. Например, у пятиконфорочной Wolf ICBSRT484F на 72 см центральный сегмент представляет собой однородную «французскую поверхность» с равномерным распределением тепла.
Размеры поверхности в зависимости от нагрева
Как правило, тип нагрева не влияет на размер варочной поверхности. Встроенные панели, будь то газовые, электрические или индукционные, имеют примерно одинаковые стандартные размеры.
Газовые. Такую поверхность выбирают обычно, если дом газифицирован. Но и в этом случае можно установить комбинированную или панель типа «домино» из нескольких двухконфорочных.
- Минимальная ширина этих моделей около 30 см, стандартная — 60 см.
- Глубина чаще всего составляет привычные 50-60 см, что соотносится с глубиной кухонных тумб и столов.
- Высота (толщина) — от 4-5 до 10 см.
Электрические. Если брать привычные модели на 4 конфорки, то порядок будет похож:
- ширина — 57-60 см,
- глубина — 50-55 см,
- толщина — 4-5 см.

Индукционные. У этих приборов такой же принцип:
- стандартная ширина — 60-65 см,
- глубина — 50-55 см,
- толщина — 4,5-5,5 см.

У стеклокерамических панелей ситуация такая же.
Необходимое именно вам количество конфорок легче всего определить, если вспомнить, сколько из них вы обычно включаете одновременно, и добавить еще одну конфорку в качестве запасной. В пользу стандартных четырехконфорочных плит говорит только большее разнообразие моделей и дизайна и зачастую более низкая цена.
Размеры шкафа или тумбы для встраивания
Определить место варочной панели в кухне не менее важно, чем выбрать подходящую модель.
-
Столешница, куда будет врезана панель, должна располагаться на расстоянии не меньше 60 см и не более 1 метра до мойки. Минимальный размер соответствует ширине стандартной кухонной тумбы с рабочей поверхностью. Здесь будут размещаться продукты перед готовкой — так, чтобы их можно было нарезать и при этом не обжечься. При расстоянии больше метра при подготовке продуктов придется часто перемещаться между мойкой и варочной панелью.
-
С противоположной от мойки стороны варочной панели также рекомендуется оставить свободное пространство. Размещение там шкафа, пенала, холодильника, окна и т. п. нецелесообразно по соображениям безопасности. Минимальная ширина этого свободного пространства — около 30 см.
-
В ряде моделей с задней стороны, за варочной поверхностью, рекомендуется устанавливать защитную панель.
Выбрав место размещения, варочную поверхность необходимо правильно установить, прорезав отверстие в тумбе или столешнице. Размер выреза меньше в ширину и глубину, чем сама панель, так как несколько миллиметров дается про запас: чтобы не было щелей и зазоров.
Для стандартных панелей в столешнице вырезают пространство 56х49 см +/- 1-3 мм.

Под варочной панелью может находиться как духовка, так и другая бытовая техника или просто тумба. Для оптимального размещения толщина столешницы должна быть больше или равна толщине панели.
Если варочная панель толще, то столешницы увеличивают, добавляя еще один слой ЛДСП, МДФ или другого материала — так, чтобы панель не выступала вверх больше необходимого.

К каждой модели, представленной в интернет-магазине «Хаусдорф», прилагается подробная схема встраивания или инструкция по установке, где указаны:
- монтажные размеры и величина зазоров вокруг прибора,
- глубина изделия вместе с панелью управления и без нее,
- рекомендуемое расположение розетки, газопровода и вытяжки,
- габариты защитной панели.
Подобрать устройство, задав не только габариты самой варочной поверхности, но и посадочные размеры, позволит удобный сервис подбора по параметрам в каталоге Hausdorf.
По всем вопросам, связанным с приобретением и установкой варочных панелей, покупатели могут обращаться к нашим специалистам. Мы предоставляем гарантии на всю технику, а также доставляем и устанавливаем приобретенные у нас изделия.